NG¼¯ÍÅ

G1xinwenliebiaobannerpc.jpg G1xinwenliebiaobannerpc-274.jpg

2013/08/20

¹ú»ªÌ¨É½µç³§°ÙÍòǧÍß»ú×é¿ØÖÆÕ½ÂÔÌØµã

 

ÎÄ | º¼ÖÝNG¼¯ÍÅ×Ô¶¯»¯ÓÐÏÞ¹«Ë¾ ºúÊ÷ÔÆ ½ÒÏþÓÚ¡¶×Ô¶¯»¯²©ÀÀ¡·×ܵÚ227ÆÚ

ÕªÒª£ºÕë¶Ô°ÙÍòǧÍß»ú×éÔËÐвÎÊý¸ß£¬£¬£¬ £¬£¬£¬ÐîÈÈÄÜÁ¦Ð ¡£ ¡£¡£¡£¡£¬£¬£¬ £¬£¬£¬·ÇÏßÐԶȸߣ¬£¬£¬ £¬£¬£¬ÏµÍ³ñîºÏÐÔÇ¿µÄÌØµã£¬£¬£¬ £¬£¬£¬ÒԹ㶫¹ú»ªÌ¨É½µç³§2¡Á1000MWÏîÄ¿µÄ¿ØÖÆÕ½ÂÔΪ»ù´¡ ¡£ ¡£¡£¡£¡£ÏÈÈݹú²ú°ÙÍò¿ØÖÆÏµÍ³Ìص㣬£¬£¬ £¬£¬£¬ÐðÊöNG¼¯ÍŹØÓÚ°ÙÍòǧÍß»ú×é½â¾ö¼Æ»®µÄÖ÷Òª¿ØÖÆÕ½ÂÔµÄÌØµã ¡£ ¡£¡£¡£¡£
Òªº¦´Ê£º1000MW³¬³¬ÁÙ½ç»ú×飻£»£» £» £»£»£»£»Ð­µ÷¿ØÖÆ£»£»£» £» £»£»£»£»¸øË®¿ØÖÆ£»£»£» £» £»£»£»£»ìÊÖµ
    1¡¡Ð¡Ðò
    ¹ã¶«Ì¨É½·¢µç³§¶þÆÚ(Ê×Á½Ì¨1000MW¼¶»ú×é)À©½¨½¨ÉèÁ½Ì¨³¬³¬ÁÙ½ç1000MWȼú·¢µç»ú×飬£¬£¬ £¬£¬£¬Èý´óÖ÷»úÓÉÉϺ£µçÆø¼¯ÍÅÌṩ ¡£ ¡£¡£¡£¡£»£»£» £» £»£»£»£»ú×é¿ØÖÆÏµÍ³½ÓÄÉNG¼¯ÍŵÄHOLLiAS MACS V6ÊèÉ¢¿ØÖÆÏµÍ³£¬£¬£¬ £¬£¬£¬ÕâÊÇÔÚ1000MW»ú×éÉÏÊ×´ÎʹÓùú²úDCSϵͳ ¡£ ¡£¡£¡£¡£ÏîÄ¿ÓÚ2011Äê3ÔÂͨ¹ý168СʱÊÔÔËÐкóͶÈëÉÌÒµÔËÐУ¬£¬£¬ £¬£¬£¬Í¶ÔËÒÔÀ´ÏµÍ³ÔËÐÐÎȹ̡¢¿ØÖÆÐ§¹ûÓÅÒ죬£¬£¬ £¬£¬£¬²¢»ñµÃÖйú¹¤¿ØÍø2011Ñù°å¹¤³Ì½± ¡£ ¡£¡£¡£¡£
    2¡¡°ÙÍò»ú×éµÄÏµÍ³ÌØµã
    °ÙÍò³¬³¬ÁÙ½ç»ú×éÓÉÓÚÕôÆû²ÎÊýµÄÌá¸ß£¬£¬£¬ £¬£¬£¬ÆäÔËÐÐЧÂÊ´ó´óÌá¸ß£¬£¬£¬ £¬£¬£¬¾­¼ÃÐ§ÒæÊ®Ã÷È·ÏÔ£¬£¬£¬ £¬£¬£¬»·±£Ë®Æ½ÏÔÖøÌá¸ß ¡£ ¡£¡£¡£¡£³¬ÁÙ½ç»ú×éÔÚ¹¤ÒÕÁ÷³ÌºÍ¹¤¾ßÌØÕ÷ÓëÑÇÁÙ½çÆû°ü¹øÂ¯Ïà±È±¬·¢Á˽ϴóת±ä£¬£¬£¬ £¬£¬£¬Òò¶ø³¬ÁÙ½ç»ú×éµÄ¿ØÖƾßÓÐÒÔÏÂÌØµã£º
    £¨1£©ñîºÏÐÔÇ¿
    ÓÉÓÚ³¬ÁÙ½ç»ú×éÔÚÖ±Á÷ÔËÐÐ״̬Æûˮ֮¼äûÓÐÃ÷È·µÄµÄ·Ö½çµã£¬£¬£¬ £¬£¬£¬¸øË®µÄ¼ÓÈȶΡ¢Õô·¢¶Î¡¢¹ýÈȶÎÈý¸ö²¿·Ö¶¼»áÊܵ½¸øË®¡¢È¼ÁÏ¡¢µ÷ÃŵÄÓ°Ï죬£¬£¬ £¬£¬£¬´Ó¶øÒýÆðζȡ¢Ñ¹Á¦¡¢¸ººÉµÄת±ä ¡£ ¡£¡£¡£¡£
    £¨2£©·ÇÏßÐÔ´ó
    ÓÉÓÚ³¬ÁÙ½ç»ú×é½ÓÄÉ»¬Ñ¹ÔËÐУ¬£¬£¬ £¬£¬£¬»ú×éÔÚÑÇÁÙ½çºÍ³¬Áٽ繤¿öÏ£¬£¬£¬ £¬£¬£¬¹¤ÖʵÄÌØÕ÷ÓÐÏÔÖø²î±ð£¬£¬£¬ £¬£¬£¬»ú×éÐîÈÈÄÜÁ¦Ò²·ÇÏßÐÔת±ä£¬£¬£¬ £¬£¬£¬Ôì³É»ú×éÔÚ¸ººÉ±ä»»Ê±£¬£¬£¬ £¬£¬£¬»ú×éµÄ²ÎÊý·ÇÏßÐÔת±ä ¡£ ¡£¡£¡£¡£
    £¨3£©ÊµÊ±ÐÔ¸ü¸ß
    ÓÉÓÚ»ú×éÑ­»·¹¤ÖʵÄ×ÜÖÊÁ¿Ï½µ£¬£¬£¬ £¬£¬£¬Ñ­»·ËÙÂÊÉÏÉýºÍ¹¤ÒÕÌØÕ÷µÄ¼ÓËÙ£¬£¬£¬ £¬£¬£¬»ú¯֮¼äµÄЭµ÷ÐèÒª¸ü¿ìËٺ͸üʵʱ£¬£¬£¬ £¬£¬£¬¶Ô¿ØÖÆÏµÍ³µÄÖÜÆÚÒªÇó¸ü¶Ì£¬£¬£¬ £¬£¬£¬ÊµÊ±ÐÔ¸üÇ¿ ¡£ ¡£¡£¡£¡£
    £¨4£©¿ØÖƾ«¶ÈÒªÇó¸ü¸ß
    ÓÉÓÚÖ±Á÷»ú×éûÓд¢ÄÜ×÷ÓÃÆû°üµÄ»·½Ú£¬£¬£¬ £¬£¬£¬¶Ô¸ººÉÓëȼÉÕÂÊ¡¢È¼ÉÕÂÊÓë¸øË®Ö®¼äµÄƽºâ¹ØÏµÒªÇó¸ü¸ß£¬£¬£¬ £¬£¬£¬²»È»±¬·¢µÄΣÏÕ»á¸ü´ó£¬£¬£¬ £¬£¬£¬Õâ¾ÍÐèÒª¿ØÖÆÏµÍ³¶Ô±»¿ØÖƹ¤¾ßµÄµ÷Àí¾«¶È¸ü¸ß ¡£ ¡£¡£¡£¡£
    3¡¡²î±ðÀàÐÍ»ú×éµÄ¿ØÖÆÕ½ÂÔ
    ´ÓÉÏÊÀ¼ÍÎåÊ®ÄêÔÂÆð£¬£¬£¬ £¬£¬£¬ÃÀ¹ú¡¢Å·ÖÞ¡¢¶íÂÞ˹¡¢ÈÕ±¾¡¢º«¹úµÈÏȺóÔÚȼú»ú×éÉú³¤ºÍÓ¦Óó¬ÁÙ½çÊÖÒÕ·¢µç£¬£¬£¬ £¬£¬£¬È¡µÃºÜºÃµÄ¾­¼ÃÐ§ÒæºÍÉç»áÐ§Òæ ¡£ ¡£¡£¡£¡£ÎÒ¹úÈý´ó·¢µç×°±¸ÖÆÔì³§ÓëÍâÑó¹«Ë¾¾ÙÐÐÊÖÒÕÏàÖú£¬£¬£¬ £¬£¬£¬Éú²úµÄ³¬ÁÙ½ç»ú×éÔÚ¹øÂ¯½á¹¹¡¢È¼ÉÕϵͳÉè¼ÆµÈ·½ÃæÓвî±ðµÄÌØµã ¡£ ¡£¡£¡£¡£Òò¶øÔÚ¿ØÖÆÕ½ÂÔÉÏÒ²¸÷²»Ïàͬ ¡£ ¡£¡£¡£¡£
    3.1¡¡»ú×éЭµ÷¿ØÖÆ
    £¨1£©ÒÔÆû»ú×·ËæÎª»ù´¡µÄ»ú¯Эµ÷¿ØÖÆÏµÍ³
    ¹øÂ¯Ö÷¿ØÊ¹ÓøøË®ºÍȼÁÏ¿ØÖÆ»ú×鸺ºÉ£¬£¬£¬ £¬£¬£¬Æû»úµ÷ÃÅ¿ØÖÆÑ¹Á¦ ¡£ ¡£¡£¡£¡£ÆûѹµÄµ÷Àí½ÏÁ¿Æ½ÎÈ£¬£¬£¬ £¬£¬£¬µ«¸ººÉ³õʼÏìÓ¦ÄÜÁ¦½Ï²î ¡£ ¡£¡£¡£¡£µ¹ÔËÓÚAGCÖ¸ÁîµÄÒªÇó ¡£ ¡£¡£¡£¡£
    £¨2£©ÒÔ¹øÂ¯×·ËæÎª»ù´¡µÄ»ú¯Эµ÷¿ØÖÆÏµÍ³
    ÓÉÆû»úµ÷ÃÅ¿ØÖÆ»ú×鸺ºÉ£¬£¬£¬ £¬£¬£¬¸ººÉµÄ³õʼÏìӦѸËÙ£¬£¬£¬ £¬£¬£¬ÀûÓÚAGCÖ¸ÁîµÄÒªÇ󣬣¬£¬ £¬£¬£¬µ«Æûѹ³õʼƫÀë½Ï´ó£¬£¬£¬ £¬£¬£¬ÏµÍ³ÎȹÌÐÔ½µµÍ£¬£¬£¬ £¬£¬£¬ÎȹÌÖÜÆÚ±ä³¤ ¡£ ¡£¡£¡£¡£
    3.2¡¡¸øË®¿ØÖÆ
    £¨1£©ÒÔú¸úË®µÄ¸øË®µ÷Àí
    ÒÔ¸øË®¿ìËÙÏìÓ¦¸ººÉµÄÐèÇ󣬣¬£¬ £¬£¬£¬ÒÔÒ»¶¨µÄúˮ±ÈÀ´µÃ³öȼÁÏÁ¿£¬£¬£¬ £¬£¬£¬²¢Í¨¹ý¶ÔìÊÖµµÄÐÞÕýµ÷ÀíÀ´ÐÞÕýȼÁÏÁ¿ ¡£ ¡£¡£¡£¡£¸ÃÕ½ÂÔ¶ÔÆûѹµÄÎȹ̽Ϻ㬣¬£¬ £¬£¬£¬µ«¶ÔζȵĿØÖÆÖͺóÐÔ½Ï´ó ¡£ ¡£¡£¡£¡£
£¨2£©ÒÔË®¸úúµÄ¸øË®µ÷Àí
ȼÁÏ¿ìËÙÏìӦϵͳµÄÐèÇ󣬣¬£¬ £¬£¬£¬ÒÔÒ»¶¨ÃºË®±ÈÈ·¶¨¸øË®Á¿£¬£¬£¬ £¬£¬£¬²¢Í¨¹ý¶ÔìÊÖµµÄÐÞÕýµ÷ÀíÀ´ÐÞÕý¸øË®Á¿ ¡£ ¡£¡£¡£¡£¸ÃÕ½ÂÔ¶ÔζȵÄÎȹ̽Ϻ㬣¬£¬ £¬£¬£¬µ«ÆûѹµÄ¿ØÖÆÄѶÈÔö´ó ¡£ ¡£¡£¡£¡£
3.3¡¡Ö÷ÆûζȿØÖÆ
£¨1£©°ÍÍþ»ú×éµÄοط½·¨
¸÷¼¶¹ýÈÈÆûεijö¿ÚζÈÉ趨ƾ֤ÕôÆûÁ÷Á¿¶ÔÓ¦µÄ¼õÎÂÆ÷βî¼ÓÉÏϼ¶Ï¼¶¼õÎÂÆ÷Èë¿ÚζÈÈ·¶¨£¬£¬£¬ £¬£¬£¬¼õÎÂÆ÷µ÷ÀíÖð¼¶Ïòǰת´ïµ½ìÊ¿ØÖÆÆ÷ͨ¹ýÐÞÕýìÊÖµÉ趨£¬£¬£¬ £¬£¬£¬À´¸Ä±ä¸øË®Á÷Á¿£¬£¬£¬ £¬£¬£¬¸Ä±äúˮ±È£¬£¬£¬ £¬£¬£¬×îÖÕʵÏÖ¸ººÉÓëÆûÎÂµÄÆ½ºâ ¡£ ¡£¡£¡£¡£
£¨2£©ÈýÁâ»ú×éµÄοط½·¨
¸÷¼¶¹ýÈÈÆûεijö¿ÚζÈÉ趨ƾ֤¸ººÉÕÛÏßÈ·¶¨£¬£¬£¬ £¬£¬£¬¸÷¼¶¹ýÈÈÆ÷³ö¿Úζȱ¬·¢µÄÎó²îͬʱÒÔ±ÈÀý×÷ÓÃת´ïµ½Ë®Ãº±È¿ØÖÆ»ØÂ· ¡£ ¡£¡£¡£¡£
£¨3£©ÈÕÁ¢»ú×éµÄοط½·¨
Ö÷ÆûνÓÄɶ¨Öµ´®¼¶¿ØÖÆ·½·¨£¬£¬£¬ £¬£¬£¬Ò»¼¶¼õÎÂË®¿ØÖƹýÈȶÈΪÖ÷£¬£¬£¬ £¬£¬£¬Ò»¡¢¶þ¹ýÈÈÆ÷³ö¿Úζȶ¯Ì¬¼ÓÈëµ÷Àí ¡£ ¡£¡£¡£¡£ÒÔ×ܼõÎÂË®µÄÁ÷Á¿Îó²îÒýÈ뵽ȼˮ±ÈµÄµ÷Àí»ØÂ· ¡£ ¡£¡£¡£¡£
4¡¡Ì¨É½ÏîÄ¿µÄ¿ØÖÆÏµÍ³Ìصã
Éñ»ª¹ú»ª¹ã¶«Ì¨É½·¢µç³§¶þÆÚÁ½Ì¨°ÙÍòǧÍß³¬³¬ÁÙ½ç»ú×éÈý´óÖ÷»ú¾ùÓÉÉϺ£µçÆø¼¯ÍÅÌṩ ¡£ ¡£¡£¡£¡£¹øÂ¯Òý½øAlstom-Power¹«Ë¾BoilerGmbhÊÖÒÕÉú²úµÄËþʽ1000MW¹øÂ¯£¬£¬£¬ £¬£¬£¬Æû»úÒý½øÎ÷ÃÅ×ÓÊÖÒÕÉú²úµÄTC4FÐÍÆûÂÖ»ú£¬£¬£¬ £¬£¬£¬¿ØÖÆÏµÍ³½ÓÄÉNG¼¯ÍŹ«Ë¾µÄ×îÐÂÒ»´úHOLLiASMACSV6ϵͳ ¡£ ¡£¡£¡£¡£
¿ØÖÆÏµÍ³¾ßÓÐÈçÏÂÌØµã£º
4.1¡¡ÊµÊ±ÐÔ
ϵͳ½ÓÄÉ»ùÓÚÄÚ´æµÄ¼¯ÖÐʽÊý¾Ý¿âʵʱµÄÊý¾Ý¿âÊÖÒÕ£¬£¬£¬ £¬£¬£¬»á¼ûËÙÂʼ«¸ß£¬£¬£¬ £¬£¬£¬ÇÒͨ¹ý¶àÏîÊÖÒÕʵÏÖʵʱÊý¾ÝÓÅ»¯¶ÁÈ¡ ¡£ ¡£¡£¡£¡£ÁíÍâϵͳ½ÓÄÉʵʱµÄÈßÓàÍøÂçÊÖÒÕ£¬£¬£¬ £¬£¬£¬Í¨¹ý²î±ðµÄÍøÂç²ãÏìÓ¦ÊÖÒÕµÄʹÓ㬣¬£¬ £¬£¬£¬°ü¹ÜÊý¾ÝÔÚÍøÂç´«ÊäÖеÄʵʱÐÔ ¡£ ¡£¡£¡£¡£È磺ÏÖ³¡Íø½ÓÄɵÄÊǵ±ËÞÌìÏÂÏȽøµÄPROFIBUS-DPÏÖ³¡×ÜÏߣ¬£¬£¬ £¬£¬£¬²¢ÊµÏÖÁËÈíDPÊÖÒÕ£¬£¬£¬ £¬£¬£¬ÓÃÈí¼þʵÏÖÁËÖ÷Õ¾¼°´ÓÕ¾µÄ´ó²¿·ÖDPЭÒ飬£¬£¬ £¬£¬£¬Öª×ã°ÙÍò»ú×éµÄ¿ØÖÆÊµÊ±ÐÔÒªÇó ¡£ ¡£¡£¡£¡£
4.2¡¡¸ß¾«¶È
ϵͳͨ¹ý¼õ¶Ì¿ØÖÆÖÜÆÚºÍÎȹ̿ØÖÆÖÜÆÚµÄºã¶¨À´Ìá¸ß¿ØÖƵľ«¶È ¡£ ¡£¡£¡£¡£Í¨¹ý¶ÔÖÖÖÖÔËËãÄ£¿£¿£¿£¿£¿£¿ £¿éµÄÆÊÎö£¬£¬£¬ £¬£¬£¬·²Óëʱ¼äÏà¹ØËã·¨£¬£¬£¬ £¬£¬£¬Í¨¹ý¿ØÖÆÔËËãʹÃüµÄ¡°×¼Ê±Æô¶¯¡¢ÖÜÆÚÖ´ÐС±µÄÊÂÇé·½·¨ ¡£ ¡£¡£¡£¡£ÏµÍ³ÔËËã·½·¨Óë¿ØÖÆÕ½ÂÔÅäºÏ£¬£¬£¬ £¬£¬£¬Öª×ã°ÙÍò»ú×éµÄ¿ØÖƾ«¶ÈÒªÇó ¡£ ¡£¡£¡£¡£
5¡¡Ì¨É½ÏîÄ¿¿ØÖÆÕ½ÂÔÆÊÎö
̨ɽÏîĿʵÑéÖУ¬£¬£¬ £¬£¬£¬Í¨¹ý¶Ô֮ǰͶÔ˵İÙÍò»ú×é¿ØÖÆÕ½ÂÔµÄÆÊÎö£¬£¬£¬ £¬£¬£¬ÍŽą́ɽÏîÄ¿µÄ¹¤ÒÕÌØµã£¬£¬£¬ £¬£¬£¬È·¶¨ÁËÏîÄ¿µÄ¿ØÖÆÕ½ÂÔ ¡£ ¡£¡£¡£¡£ÆäÔ­ÀíºÍ×é³ÉÈçÏ£º
5.1¡¡Ð­µ÷¿ØÖÆÏµÍ³
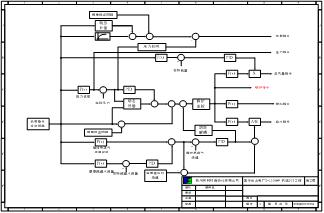
½ÓÄÉÒÔ¹øÂ¯×·ËæÎª»ù´¡µÄ»ú¯Эµ÷¿ØÖÆÕ½ÂÔ ¡£ ¡£¡£¡£¡£ÊµÏÖAGC¡¢Ò»´Îµ÷Ƶ¡¢RB¹¦Ð§ ¡£ ¡£¡£¡£¡£»£»£» £» £»£»£»£»ú×é½ÓÄÉÈ«»¬Ñ¹·½·¨ÔËÐУ¬£¬£¬ £¬£¬£¬ÌṩÊÖ¶¯¿ØÖÆ¡¢Æû»ú×·Ëæ¿ØÖÆ¡¢¹øÂ¯×·Ëæ¿ØÖÆ¡¢Ð­µ÷¿ØÖÆËÄÖÖ¿ØÖÆ·½·¨ ¡£ ¡£¡£¡£¡£Ô­Àí¿òͼÈçͼ1Ëùʾ ¡£ ¡£¡£¡£¡£

ºúÊ÷ÔÆ ½ÒÏþͼ1.jpg

ͼ1 »ú¯Эµ÷¿ØÖÆÔ­Àí¿òͼ
¼Æ»®Ìص㣺
5.1.1¡¡»ú×é½ÓÄÉ100%¸ßÅÔϵͳºÍÎ÷ÃÅ×ÓDEHϵͳ
ÓÉÓÚÎ÷ÃÅ×Ó°ÙÍòÆû»ú¿ØÖÆÎÞÊÖ¶¯·½·¨£¬£¬£¬ £¬£¬£¬µ÷ÃŵĿØÖƱØÐèÔÚDEH²àʵÏÖ£¬£¬£¬ £¬£¬£¬ÅÔ·ÔÚ»ú×éÔËÐÐÈ«³Ì¾ù¼ÓÈëѹÁ¦¿ØÖÆ ¡£ ¡£¡£¡£¡£Òò¶øÔÚÉè¼Æ»ú×éµÄÖÖÖÖ¿ØÖÆ·½·¨Ê±£¬£¬£¬ £¬£¬£¬Ðè˼Á¿µ½ÅÔ·ºÍDEH²àµÄµ÷Àí£¬£¬£¬ £¬£¬£¬ÓëÔ­600MW³¬ÁÙ½ç»ú×éµÄÉè¼ÆÓнϴóÇø±ð ¡£ ¡£¡£¡£¡£
5.1.2¡¡¶¯Ì¬ÐîÈȺÍÎÈ̬ÐîÈȵÄÅâ³¥Éè¼Æ
ƾ֤Éý½µ¸ººÉµÄËÙÂÊ£¬£¬£¬ £¬£¬£¬ÒÔ¼°±ä¸ººÉµÄ·ù¶ÈÈ·¶¨ÔÚ¶¯Ì¬ÏµÄȼÉյij¬³Û·ù¶È£¬£¬£¬ £¬£¬£¬Í¬Ê±Æ¾Ö¤»ú×éÌØÕ÷£¬£¬£¬ £¬£¬£¬È·¶¨³¬³ÛÁ¿µÄÏìӦʱ¼ä£¬£¬£¬ £¬£¬£¬Ê¹¿ØÖƵÄÁ¿ÓëÏÖ³¡×°±¸ÌØÕ÷Ò»Ö£¬£¬£¬ £¬£¬£¬ÒÔÔö²¹¶¯Ì¬Àú³ÌÖУ¬£¬£¬ £¬£¬£¬¹øÂ¯ÐîÈȵÄת±ä ¡£ ¡£¡£¡£¡£Í¬Ê±½ÓÄÉѹÁ¦µÈµÄ΢·ÖÐźÅ×÷Ϊ·´Ó¦»ú×鯽ºâµÄÖÐÐÄÐźţ¬£¬£¬ £¬£¬£¬Í¨¹ý΢·ÖµÄ×÷ÓöÔȼÉյĵ÷Àí¾ÙÐÐÔöÇ¿£¬£¬£¬ £¬£¬£¬ÒÔÆðµ½Õ½Ê¤¹øÂ¯ÖͺóÐÔµÄЧ¹û ¡£ ¡£¡£¡£¡£
5.1.3¡¡¸÷±»µ÷Á¿Ö®¼äµÄ½âñîÉè¼Æ
£¨1£©¸ººÉÐèÇóÓë¹øÂ¯×ÅÁ¦µÄ½âñî
Ϊ½â¾ö¹øÂ¯ÓëÆû»úÐÔÄܶԸººÉÏìÓ¦µÄ²î±ð£¬£¬£¬ £¬£¬£¬Ò»·½Ãæ½ÓÄɶ¯Ì¬³¬µ÷µÄÉè¼Æ ¡£ ¡£¡£¡£¡£ÁíÒ»·½ÃæÁÙ»úǰѹÁ¦Ö¸ÁîµÄÐγÉ×ö¹ßÐÔ´¦Öóͷ££¬£¬£¬ £¬£¬£¬Ê¹»ú×é×ÅÁ¦³õʼ¸Ä±äʱ£¬£¬£¬ £¬£¬£¬¹øÂ¯µÄ²ÎÊýÖͺóת±ä ¡£ ¡£¡£¡£¡£
£¨2£©¸øË®µ÷ÀíÓëȼÉÕµ÷ÀíµÄ½âñî
¸øË®µÄת±ä»áÒýÆðѹÁ¦µÄת±ä£¬£¬£¬ £¬£¬£¬½ø¶øÒýÆðȼÉÕµÄת±ä£¬£¬£¬ £¬£¬£¬È¼ÁϵÄת±äÓÖ¼Ó¾ç¸øË®µÄת±ä£¬£¬£¬ £¬£¬£¬´Ó¶øÒýÆðϵͳµÄ¶¯µ´ ¡£ ¡£¡£¡£¡£ÎªÏû³ý¸øË®ÓëȼÉÕÖ®¼äµÄñîºÏ£¬£¬£¬ £¬£¬£¬¶ÔìÊÖµµ÷ÀíÊä³ö¶Ëͨ¹ý¹¤ÖÊÕÛË㣬£¬£¬ £¬£¬£¬¼°×ª±äÂÊ´¦Öóͷ£Ö®ºó£¬£¬£¬ £¬£¬£¬¼ÓÈ뵽ȼÁϵ÷Àí»ØÂ·£¬£¬£¬ £¬£¬£¬Ïû³ýȼÁÏÓë¸øË®Ö®¼äµÄñîºÏ ¡£ ¡£¡£¡£¡£
5.1.4¡¡RB¹¦Ð§µÄµ÷Àí»ØÂ·
ÔÚͨÀýRB´¦Öóͷ£µÄ»ù´¡ÉÏ£¬£¬£¬ £¬£¬£¬¶ÔÖÖÖÖÒýÆðRBÐж¯µÄÒòËØ£¬£¬£¬ £¬£¬£¬ÔÚѹÁ¦Ö¸ÁîµÄת±äÂʺ͸øË®µÄÏìӦʱ¼äÉϾÙÐÐÁË»®·Ö´¦Öóͷ£ ¡£ ¡£¡£¡£¡£Í¬Ê±Æ¾Ö¤°ÙÍò»ú×éµÄȼÉÕÌØÕ÷£¬£¬£¬ £¬£¬£¬ÔÚÌøÄ¥µÄ˳ÐòºÍʱ¼ä¾àÀëÉÏÒ²×öÁË´¦Öóͷ££¬£¬£¬ £¬£¬£¬Ê¹»ú×éÔÚ±¬·¢Ê¹Êʱ£¬£¬£¬ £¬£¬£¬¸üºÏÀíµØÆ¾Ö¤Ö±Á÷¯µÄȼÉÕÐèÒª¾ÙÐÐ×Ô¶¯¿ØÖÆ ¡£ ¡£¡£¡£¡£
5.2¡¡¸øË®¿ØÖÆÏµÍ³
½ÓÄÉË®¸úúµÄ¿ØÖÆÕ½ÂÔ ¡£ ¡£¡£¡£¡£Í¨¹ý¶Ô¸øË®±Ã¡¢ÔÙÑ­»·±Ã³ö¿ÚÃÅ¡¢¸øË®ÅÔ·µ÷ÀíÃŵĿØÖÆ£¬£¬£¬ £¬£¬£¬ÊµÏÖÔÚʪ̬¡¢¸É̬·½·¨ÏµÄÈ«³Ì¸øË®¿ØÖÆ ¡£ ¡£¡£¡£¡£
£¨1£©ÊªÌ¬Ï¸øË®¿ØÖÆ
ÀàËÆÓÚÆû°ü¯µÄ¿ØÖÆ£¬£¬£¬ £¬£¬£¬½ÓÄɸøË®±Ã¿ØÖÆÊèÉ¢Æ÷ÊèË®Ïäˮ룬£¬£¬ £¬£¬£¬ÔÙÑ­»··§¿ØÖÆÖ±Á÷¯×îСÇå¾²Á÷Á¿ ¡£ ¡£¡£¡£¡£È«³Ì¸øË®¹²·ÖΪÈý¶Î£¬£¬£¬ £¬£¬£¬Ôڵ͸ººÉʱ£¬£¬£¬ £¬£¬£¬ÓɸøË®ÅÔ·µ÷ÃÅ¿ØÖÆÊèÉ¢Æ÷ÊèË®Ïäˮ룬£¬£¬ £¬£¬£¬¸øË®±Ã¿ØÖÆÅÔ·µ÷ÃÅǰºó²îѹ£¬£¬£¬ £¬£¬£¬ÔÙÑ­»··§¿ØÖÆÖ±Á÷¯×îСÇå¾²Á÷Á¿ ¡£ ¡£¡£¡£¡£µ±ÅÔ·µ÷ÃÅ¿ª¶ÈÔÚ85%ÒÔÉÏʱ£¬£¬£¬ £¬£¬£¬Çл»Îª¸øË®±Ã¿ØÖÆÊèÉ¢Æ÷ÊèË®Ïäˮλ ¡£ ¡£¡£¡£¡£µ±ÔÙÑ­»·±Ã·ºÆðÎÊÌâʱ£¬£¬£¬ £¬£¬£¬ÓɸøË®±Ã¿ØÖÆ×îСÇå¾²Á÷Á¿ ¡£ ¡£¡£¡£¡£Õû¸öÉè¼ÆÊµÏÖÁ˸øË®µÄÈ«³Ì¿ØÖÆ£¬£¬£¬ £¬£¬£¬¼È°ü¹ÜÁËϵͳÔÚÇл»Àú³ÌÖÐµÄÆ½ÎÈ£¬£¬£¬ £¬£¬£¬ÓÖ°ü¹ÜÁËÔڵ͸ººÉÀú³ÌÖУ¬£¬£¬ £¬£¬£¬Ë®Àä±ÚµÄÇå¾²Á÷Á¿ ¡£ ¡£¡£¡£¡£
£¨2£©¸É̬ϸøË®¿ØÖÆ
½ÓÄÉÎïÀíÒªÁ죬£¬£¬ £¬£¬£¬Æ¾Ö¤ÈÈÁ¦Ñ§µÚÒ»¶¨ÂɵÄÔ­ÀíÀ´¹¹½¨µÄìÊË®¿ØÖÆÕ½ÂÔ£¬£¬£¬ £¬£¬£¬ÊµÏÖÔÚÖ±Á÷½×¶Î¸øË®µÄ׼ȷ¿ØÖÆ ¡£ ¡£¡£¡£¡£Ô­Àí¿òͼÈçͼ2Ëùʾ ¡£ ¡£¡£¡£¡£

 

ºúÊ÷ÔÆ ½ÒÏþͼ2.jpg

ͼ2 ¸É̬ϸøË®¿ØÖÆÔ­Àí¿òͼ

¸ÃÕ½ÂÔѡȡÁË´ÓʡúÆ÷Èë¿Úµ½ÊèÉ¢Æ÷³ö¿Ú¸øË®µÄÄÜÁ¿×ª±äÓëȼÁϵķ¢ÈÈÁ¿Ö®¼äµÄת»¯¹¹½¨ ¡£ ¡£¡£¡£¡£¸øË®ÎüÈÈÁ¿À´×Ô¹øÂ¯È¼Éպ͹øÂ¯ÐîÈÈ£¬£¬£¬ £¬£¬£¬Ò»¶¨µÄ¸øÃºÂÊÒ»¶¨¶ÔÓ¦Ò»¶¨µÄÎüÈÈÁ¿£¬£¬£¬ £¬£¬£¬Õâ·´Ó¦ÁËȼÁÏÁ¿µ½ÈÈÁ¿µÄת»¯£¬£¬£¬ £¬£¬£¬Õâ¸öת»¯½öÓëȼÉÕ¹¤¿ö¡¢¹øÂ¯¹¤¾ßÌØÕ÷¡¢´«ÈÈЧÂÊÓйأ¬£¬£¬ £¬£¬£¬¶øÓë»ú²à¹¤¿ö(ÈçÆûѹ)ÎÞ¹Ø ¡£ ¡£¡£¡£¡£¸øÃºÂʺ͸øË®Á¿Í¨¹ýìÊÖµ¿ÉÒÔ½¨Éè¼òÃ÷µÄº¯Êý¹ØÏµ£¬£¬£¬ £¬£¬£¬±ãÓÚ¿ØÖÆÕ½ÂԵĹ¹½¨£¬£¬£¬ £¬£¬£¬×èÖ¹ÓëÆûѹ¿ØÖƵĽ»Ö¯×ÌÈÅ ¡£ ¡£¡£¡£¡£´ÓÔ­ÀíÉϽâ¾öÁ˸øË®ºÍȼÁÏ¡¢µ÷ÃÅÖ®¼äµÄ½âñî¹ØÏµ ¡£ ¡£¡£¡£¡£ÕâÊǸÿØÖÆÕ½ÂÔ×îÀֳɺÍ×îÓÐÌØµãÖ®´¦ ¡£ ¡£¡£¡£¡£
½ÓÄÉìÊֵȡ´úζȵ÷Àí£¬£¬£¬ £¬£¬£¬ÓÉÓÚìÊÖµËæÖ±Á÷¯ÆûË®Á÷³Ì·ºÆð¿ÝÔïת±äµÄÇ÷ÊÆ£¬£¬£¬ £¬£¬£¬ÇÒѸËٶȺÍÏßÐԶȾùÓÅÓÚζȶԹ¤¿öµÄÏìÓ¦ ¡£ ¡£¡£¡£¡£ÕâÒ²ÊǸÃÕ½ÂÔÓÅÓÚÒÔÍù»ú×é¿ØÖÆÕ½ÂÔÖ®´¦ ¡£ ¡£¡£¡£¡£
½«Ò»¡¢¶þ¼¶¼õÎÂÆ÷µÄÁ÷Á¿µÄÎó²îÒýÈëµ½ìÊÖµÉ趨»ØÂ·£¬£¬£¬ £¬£¬£¬Í¨¹ý¸øË®Óë¼õÎÂË®µÄÅäºÏʵÏÖϵͳµÄúˮ±ÈÆ¥Åä ¡£ ¡£¡£¡£¡£
5.3¡¡Ö÷ÆûζȿØÖÆÏµÍ³
½ÓÄɰÍÍþ»ú×éµÄοط½·¨£¬£¬£¬ £¬£¬£¬Ò»¼¶¼õÎÂÆ÷µÄ¶¨ÖµÆ¾Ö¤¶þ¼¶Èë¿ÚÆûÎÂ˳ÓÉÖ÷ÆûÁ÷Á¿ÕÛÏߵĶþ¼¶¼õÎÂÆ÷ÊÕÖ§¿ÚβîÖ®ºÍÈ·¶¨ ¡£ ¡£¡£¡£¡£Ò»¼¶¼õÎÂÆ÷µÄÈë¿ÚÆûÎÂ˳ÓÉÖ÷ÆûÁ÷Á¿ÕÛÏßµÄÒ»¼¶¼õÎÂÆ÷ÊÕÖ§¿ÚβîÖ®ºÍÈ·¶¨µÄ¶¨ÖµÓëÒ»¼¶¼õÎÂÆ÷µÄ³ö¿ÚÆûεÄÎó²îµ÷Àí×÷Ϊ¸øË®ìÊÖµµ÷ÀíµÄÉ趨ֵÐÞÕý£¬£¬£¬ £¬£¬£¬ÊµÏÖ¸ººÉºÍ¸øË®µÄƽºâ ¡£ ¡£¡£¡£¡£¸÷»ØÂ·µÄµ÷Àí°´Ê·Å®Ê¿Ô¤¹ÀµÄÔ­ÀíÉè¼Æ£¬£¬£¬ £¬£¬£¬Í¨¹ýÔËÓñÈÈȵĿ´·¨£¬£¬£¬ £¬£¬£¬½«±»¿ØÎ¶ÈÕÛËãµ½¼õÎÂÅçË®·§³ö¿Ú£¬£¬£¬ £¬£¬£¬½«´ó¹ßÐÔ¹¤¾ßת»»Îª¿ìËÙÏìÓ¦µÄ¹¤¾ß ¡£ ¡£¡£¡£¡£±äͨÀýÆûδ®¼¶µ÷ÀíΪµ¥»ØÂ·µ÷Àí£¬£¬£¬ £¬£¬£¬Ïû³ýÁËÖ÷¡¢¸±µ÷Àí»ØÂ·µÄÏ໥×ÌÈŵ¼Öµĵ÷ÀíЧ¹û²»¼ÑµÄÓ°Ïì ¡£ ¡£¡£¡£¡£
6¡¡¿¢ÊÂÓï
´ËÏîĿƾ֤»ú×éÌØµãÉè¼Æ³öÇкϻú×éµÄ¿ØÖÆÕ½ÂÔ£¬£¬£¬ £¬£¬£¬²¢ÍŽá»ú×éµÄ×îÓÅÔËÐвÎÊý£¬£¬£¬ £¬£¬£¬½«¸÷ÎÈ̬ÊÂÇéµãºÍÏìÓ¦ÎÈ̬ÕÛÏßÊäÈëµ½Ëã·¨ÖУ¬£¬£¬ £¬£¬£¬²¢ÅäºÏ¸÷µ÷Àí»ØÂ·µÄ²ÎÊýÉèÖ㬣¬£¬ £¬£¬£¬×îÖÕʵÏÖ»ú×éµÄ׼ȷ¿ØÖÆ ¡£ ¡£¡£¡£¡£
¿ØÖÆÕ½ÂÔÄÜ·ñʵÏÖÔ¤ÆÚµÄÄ¿µÄ£¬£¬£¬ £¬£¬£¬²»µ«Óëµ÷Àí²ÎÊýµÄÉèÖÃÓйأ¬£¬£¬ £¬£¬£¬²¢ÇÒÓëDCSϵͳµÄ¿ØÖÆÖÜÆÚ¡¢¼Æ»®×é̬µÄʱÐòµÈÇ×½üÏà¹Ø£¬£¬£¬ £¬£¬£¬Ö»Óгä·ÖÏàʶ¿ØÖÆÏµÍ³µÄÌØµã¡¢¹¦Ð§¿éµÄÌØÕ÷£¬£¬£¬ £¬£¬£¬²Å»ªÔÚʹÓÃÖлñµÃ¸üºÃµÄЧ¹û ¡£ ¡£¡£¡£¡£
 

»ñÈ¡×îеÄÐÐÒµ¼Æ»®Óë°¸Àý

ͨ¹ýµç»°¡¢µç×ÓÓʼþÁªÏµNG¼¯ÍÅ£¬£¬£¬ £¬£¬£¬ÒÔ½â¾öÄãµÄÀ§ÈÅ

¡¾ÍøÕ¾µØÍ¼¡¿¡¾sitemap¡¿